Catégorie

Contactez nous au : 01.60.05.25.15|soclam@wanadoo.fr

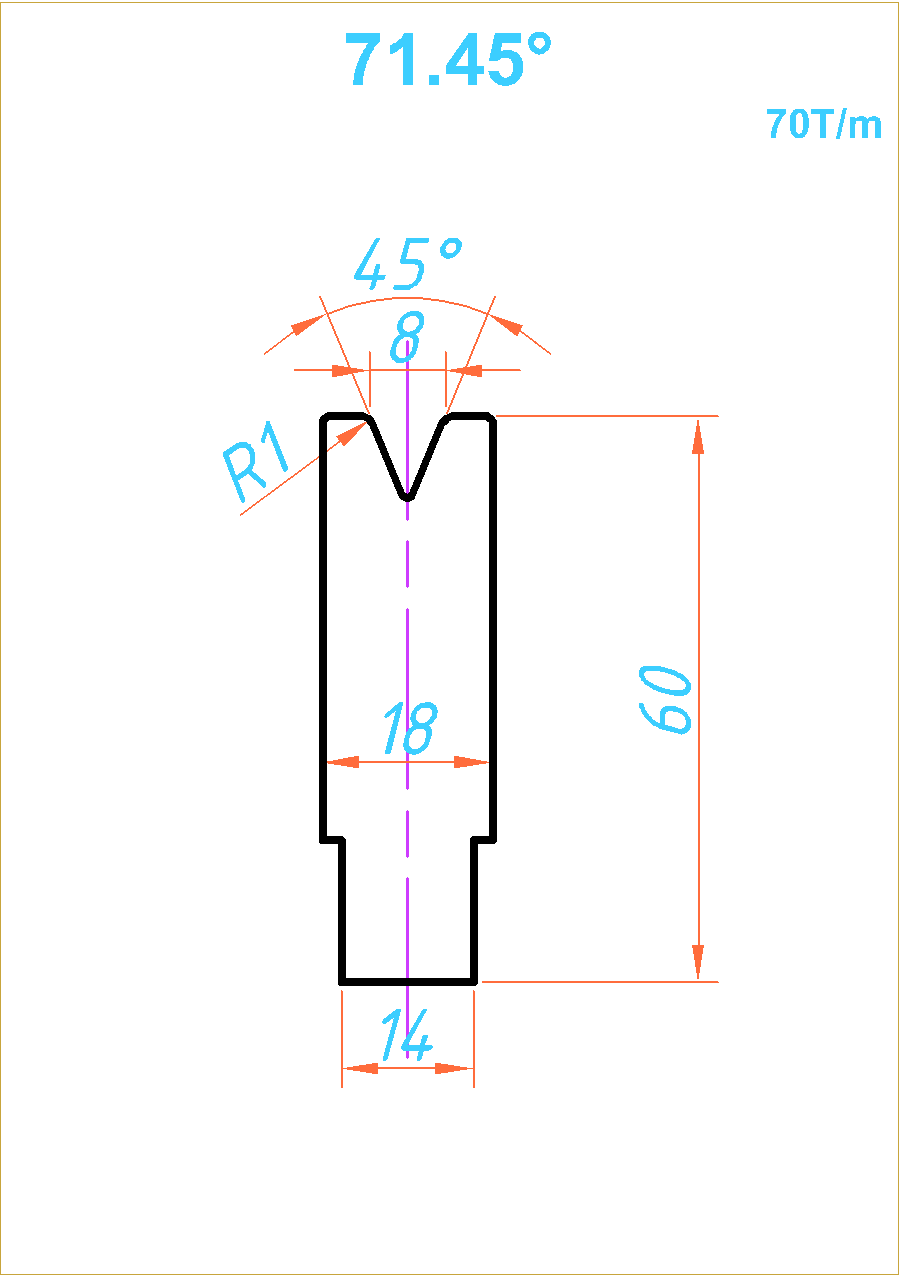
7145

Additional Information

angle

embase

forme

hauteur-totale

hauteur-utile

largeur

longueur

, ,

marque

montage

rayon

tonnagemetre

ve